Selected highlights – our recent publications
![]() |
Power ultrasound treatment for a sustainable production of diatomite-containing cement-based materials Journal of Building Engineering, Vol.118, No.114989, 2026 DOI: 10.1016/j.jobe.2025.114989 Lisowski P., Bochenek K., Osial M., Denis P., Gawlicki M., Glinicki M.A. |
![]() |
Effects of low-dose gamma irradiation on mechanical and microstructural properties of barite-modified geopolymer and cement mortars Journal of Nuclear Materials, Vol.619, No.156246, pp.1-10, 2026 DOI: 10.1016/j.jnucmat.2025.156246 Jóźwiak-Niedźwiedzka D., Rovnaník P., Gméling K., Homlok R., Denis P. |
![]() |
Alkali threshold level in concrete to trigger the alkali-silica reaction at simulated road pavement environments with alkali supply Construction and Building Materials, Vol.487, No.142023, pp.1-17, 2025 DOI: 10.1016/j.conbuildmat.2025.142023 Brachaczek A., Dąbrowski M., Lisowski P., Dziedzic K., Glinicki M.A. |
![]() |
Impact of formate based deicing agents on ASR products: Microstructural, chemical and mechanical characteristics Construction and Building Materials, Vol.471, No.140729, pp.1-12, 2025 DOI: 10.1016/j.conbuildmat.2025.140729 Brachaczek A., Tokpatayeva R., Olek J., Jarząbek D.M., Piotrowski P., Jenczyk P., Jóźwiak-Niedźwiedzka D. |
![]() |
Promising biomass waste–derived insulation materials for application in construction and buildings Biomass Conversion and Biorefinery, Vol.15, pp. 57–74, 2025 DOI: 10.1007/s13399-023-05192-8 Lisowski P., Glinicki M.A. |
![]() |
Gamma radiation attenuation, mechanical properties and microstructure of barite-modified cement and geopolymer mortars Nuclear Engineering and Technology, Vol.57 (4), No.103295, pp.1-11, 2025 DOI: 10.1016/j.net.2024.10.057 Jóźwiak-Niedźwiedzka D., Rovnanik P., Dąbrowski M., Ośko J., Kuć M., Maciak M. |
![]() |
Experimental assessment of appropriate time for aggregate exposure at the surface of cement concrete pavement International Journal of Pavement Engineering, Vol.25, No.1, pp.1-12, 2024 DOI: 10.1080/10298436.2024.2318607 Dąbrowski M., Brachaczek A., Bogusz K., Glinicki M.A. |
![]() |
Power ultrasound-assisted enhancement of granulated blast furnace slag reactivity in cement paste Cement and Concrete Composites, Vol.154, No.105781, pp.1-19, 2024 DOI: 10.1016/j.cemconcomp.2024.105781 Lisowski P., Jóźwiak-Niedźwiedzka D., Osial M., Bochenek K., Denis P., Glinicki M.A. |
![]() |
Diagnostics of premature damage to surface-hardened industrial concrete floors Cement, Wapno, Beton, Vol.28, No.6, pp.409-427, 2024 Glinicki M.A., Jóźwiak-Niedźwiedzka D., Brandt A. M. |
![]() |
Gas permeability and gamma ray shielding properties of concrete for nuclear applications Nuclear Engineering and Design, Vol.429, No.113616, pp.1-14, 2024 DOI: 10.1016/j.nucengdes.2024.113616 Jóźwiak-Niedźwiedzka D., Choinska C., Brachaczek A., Dąbrowski M., Ośko J., Kuć M. |
![]() |
ASR induced by chloride- and formate-based deicers in concrete with non-reactive aggregates Construction and Building Materials, Vol.400, No.132811, pp.1-13, 2023 DOI: 10.1016/j.conbuildmat.2023.132811 Antolik A., Jóźwiak-Niedźwiedzka D. |
![]() |
Toward performance improvement of supersulfated cement by nano silica: Asynchronous regulation on the hydration kinetics of silicate and aluminate Cement and Concrete Research, Vol.167, No.107117, pp.1-11, 2023 DOI: 10.1016/j.cemconres.2023.107117 Chen H., Hou P., Zhou X., Black L., Adu-Amankwah S., Feng P., Cui N., Glinicki M.A., Cai Y., Zhang S., Zhao P., Li Q., Cheng X. |
![]() |
Risk assessment of reactive local sand use in aggregate mixtures for structural concrete Construction and Building Materials, Vol.408, No.133826, pp.1-13, 2023 DOI: 10.1016/j.conbuildmat.2023.133826 Dziedzic K., Glinicki M.A. |
![]() |
Concrete durability evaluation in new built pavement sections of expressways in Poland Cement, Wapno, Beton, Vol.28, No.2, pp.105-119, 2023 DOI: 10.32047/CWB.2023.28.2.4 Glinicki M.A. |
![]() |
Volumetric stability and elastic properties of concrete subjected to simulated service exposure conditions on road pavements Cement, Wapno, Beton, Vol.27, No.6, pp.410-424, 2023 DOI: 10.32047/CWB.2022.27.6.4 Bogusz K., Glinicki M.A. |
![]() |
ASR performance of concrete at external alkali supply – effects of aggregate mixtures and blended cement International Journal of Pavement Engineering, Vol.24, No.1, pp.1-13, 2023 DOI: 10.1080/10298436.2023.2171038, Glinicki M.A., Bogusz K., Jóźwiak-Niedźwiedzka D., Dąbrowski M. |
![]() |
Assessment of neutron-induced activation of irradiated samples in a research reactor Nuclear Engineering and Technology, Vol.55, pp.1036-1044, 2023 DOI: 10.1016/j.net.2022.11.004 Harsányi I., Horváth A., Kis Z., Gméling K., Jóźwiak-Niedźwiedzka D., Glinicki M.A., Szentmiklósi L. |
![]() |
Gamma irradiation sensitivity of early hardening cement mortar Cement and Concrete Composites, Vol.126, pp.104327-1-14, 2022 DOI: 10.1016/j.cemconcomp.2021.104327 Glinicki M.A., Dąbrowski M., Antolik A., Dziedzic K., Sikorin S., Fateev V., Povolansky E. |
![]() |
Effects of 2 MGy gamma irradiation on the steel corrosion in cement-based composites Construction and Building Materials, Vol.342, pp.127967-1-16, 2022 DOI: 10.1016/j.conbuildmat.2022.127967 Dąbrowski M., Glinicki M.A., Kuziak J., Jóźwiak-Niedźwiedzka D., Dziedzic K. |
![]() |
Influence of serpentinite aggregate on the microstructure and durability of radiation shielding concrete Construction and Building Materials, Vol.337, pp.127536-1-13, 2022 DOI: 10.1016/j.conbuildmat.2022.127536 Dąbrowski M., Jóźwiak-Niedźwiedzka D., Bogusz K., Glinicki M.A. |
![]() |
Effect of gamma irradiation on the mechanical properties of carbonation reaction products in mortar Materials and Structures, Vol.55, pp.164-1-17, 2022 DOI: 10.1617/s11527-022-02003-w Jóźwiak-Niedźwiedzka D., Dąbrowski M., Dziedzic K., Jarząbek D., Antolik A., Denis P., Glinicki M.A. |
![]() |
Diagnosis of ASR damage in highway pavement after 15 years of service in wet-freeze climate region Case Studies in Construction Materials, Vol.17, pp.e01226-1-15, 2022 DOI: 10.1016/j.cscm.2022.e01226 Glinicki M.A., Jóźwiak-Niedźwiedzka D., Antolik A., Dziedzic K., Dąbrowski M., Bogusz K. |
![]() |
Reconstruction of concrete microstructure using complementarity of X-ray and neutron tomography Cement and Concrete Research, Vol.148, pp.106540-1-12, 2021 DOI: 10.1016/j.cemconres.2021.106540 Kim H.T., Razakamandimby D.F.T., Szilagyi V., Kis Z., Szentmiklosi L., Glinicki M.A., Park K. |
![]() |
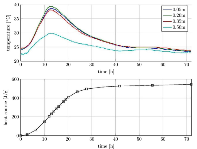
Evolutionary identification method for determining thermophysical parameters of hardening concrete Archives of Civil and Mechanical Engineering, Vol.21, pp.35-1-14, 2021 DOI: 10.1007/s43452-020-00154-7 Długosz A., Pokorska I., Jaskulski R., Glinicki M.A. |
![]() |
Assessment of the alkali-silica reactivity potential in granitic rocks Construction and Building Materials, Vol.295, pp.123690-1-12, 2021 DOI: 10.1016/j.conbuildmat.2021.123690 Antolik A., Jóźwiak-Niedźwiedzka D. |
![]() |
Early age hardening of concrete with heavy aggregate in gamma radiation source – impact on the modulus of elasticity and microstructural features Journal of Advanced Concrete Technology, Vol.19, No.5, pp.555-570, 2021 DOI: 10.3151/jact.19.555 Dąbrowski M., Glinicki M.A., Dziedzic K., Jóźwiak-Niedźwiedzka D., Sikorin S., Fateev V.S., Povalansky E.I. |
![]() |
Laboratory investigations on fine aggregates used for concrete pavements due to the risk of ASR Road Materials and Pavement Design, pp.1-13, 2020 DOI: 10.1080/14680629.2020.1796767 Jóźwiak-Niedźwiedzka D., Antolik A., Dziedzic K., Gméling K., Bogusz K. |
![]() |
Application of a non-stationary method in determination of the thermal properties of radiation shielding concrete with heavy and hydrous aggregate International Journal of Heat and Mass Transfer, Vol.130, pp.882-892, 2019 DOI: 10.1016/j.ijheatmasstransfer.2018.07.050 Jaskulski R., Glinicki M.A., Kubissa W., Dąbrowski M. |
![]() |
Numerical identification of the thermal properties of early age concrete using inverse heat transfer problem Heat and Mass Transfer, Vol.55, No.4, pp.1215-1227, 2019 DOI: 10.1007/s00231-018-2504-2 Knor G., Jaskulski R., Glinicki M.A., Holnicki-Szulc J. |
![]() |
Validation of sequential pressure method for evaluation of the content of microvoids in air entrained concrete Construction and Building Materials, Vol.227, pp.116633-1-12, 2019 DOI: 10.1016/j.conbuildmat.2019.08.014 Dąbrowski M., Glinicki M.A., Dziedzic K., Antolik A. |
![]() |
Organic phosphorus compounds as heat release regulators in hardening shielding concrete Construction and Building Materials, Vol.209, pp.167-175, 2019 DOI: 10.1016/j.conbuildmat.2019.03.081 Jaskulski R., Glinicki M.A., Ranachowski Z., Kubissa W. |
![]() |
Influence of gadolinium oxide and ulexite on cement hydration and technical properties of mortars for neutron radiation shielding purposes Construction and Building Materials, Vol.195, pp.583-589, 2019 DOI: 10.1016/j.conbuildmat.2018.11.076 Piotrowski T., Glinicka J., Glinicki M.A., Prochoń P. |
![]() |
Evaluation of compatibility of neutron-shielding boron aggregates with Portland cement in mortar Construction and Building Materials, Vol.164, pp.731-738, 2018 DOI: 10.1016/j.conbuildmat.2017.12.228 Glinicki M.A., Antolik A., Gawlicki M. |
![]() |
Statistical Analysis and Probabilistic Design Approach for Freeze–Thaw Performance of Ordinary Portland Cement Concrete Journal of Materials In Civil Engineering, Vol.30, No.11, pp.04018294-1-10, 2018 DOI: 10.1061/(ASCE)MT.1943-5533.0002494 Ashraf W., Glinicki M.A., Olek J. |
![]() |
The results of the concrete shield of the EWA nuclear reactor Cement, Wapno, Beton, Vol.3, pp.226-238, 2018 Jóźwiak-Niedźwiedzka D., Dąbrowski M., Brandt A.M., Burakowska A., Baran T. |
![]() |
Permeability testing of radiation shielding concrete manufactured at industrial scale Materials and Structures, Vol.51, No.83, pp.1-15, 2018 DOI: 10.1617/s11527-018-1213-0 Kubissa W., Glinicki M.A., Dąbrowski M. |






































